Topics
Rotational Dynamics
- Rotational Dynamics
- Circular Motion and Its Characteristics
- Applications of Uniform Circular Motion
- Vertical Circular Motion
- Moment of Inertia as an Analogous Quantity for Mass
- Radius of Gyration
- Theorems of Perpendicular and Parallel Axes
- Angular Momentum or Moment of Linear Momentum
- Expression for Torque in Terms of Moment of Inertia
- Conservation of Angular Momentum
- Rolling Motion
- Overview: Rotational Dynamics
Circular Motion
- Angular Displacement
- Angular Velocity
- Angular Acceleration
- Angular Velocity and Its Relation with Linear Velocity
- Uniform Circular Motion (UCM)
- Radial Acceleration
- Dynamics of Uniform Circular Motion - Centripetal Force
- Centrifugal Forces
- Banking of Roads
- Vertical Circular Motion Due to Earth’s Gravitation
- Equation for Velocity and Energy at Different Positions of Vertical Circular Motion
- Kinematical Equations for Circular Motion in Analogy with Linear Motion.
Gravitation
- Newton’s Law of Gravitation
- Periodic Time
- Kepler’s Laws
- Binding Energy and Escape Velocity of a Satellite
- Weightlessness
- Variation of ‘G’ Due to Lattitude and Motion
- Variation in the Acceleration>Variation in Gravity with Altitude
- Communication satellite and its uses
- Composition of Two S.H.M.’S Having Same Period and Along Same Line
Mechanical Properties of Fluids
- Fluid and Its Properties
- Thrust and Pressure
- Pressure of liquid
- Pressure Exerted by a Liquid Column
- Atmospheric Pressure
- Gauge Pressure and Absolute Pressure
- Hydrostatic Paradox
- Pascal’s Law
- Application of Pascal’s Law
- Measurement of Atmospheric Pressure
- Mercury Barometer (Simple Barometer)
- Open Tube Manometer
- Surface Tension
- Molecular Theory of Surface Tension
- Surface Tension and Surface Energy
- Angle of Contact
- Effect of Impurity and Temperature on Surface Tension
- Excess Pressure Across the Free Surface of a Liquid
- Explanation of Formation of Drops and Bubbles
- Capillarity and Capillary Action
- Fluids in Motion
- Critical Velocity and Reynolds Number
- Viscous Force or Viscosity
- Stokes’ Law
- Terminal Velocity
- Equation of Continuity
- Bernoulli's Equation
- Applications of Bernoulli’s Equation
- Overview: Mechanical Properties of Fluids
Kinetic Theory of Gases and Radiation
- Gases and Its Characteristics
- Classification of Gases: Real Gases and Ideal Gases
- Mean Free Path
- Expression for Pressure Exerted by a Gas
- Root Mean Square (RMS) Speed
- Interpretation of Temperature in Kinetic Theory
- Law of Equipartition of Energy
- Specific Heat Capacity
- Absorption, Reflection, and Transmission of Heat Radiation
- Perfect Blackbody
- Emission of Heat Radiation
- Kirchhoff’s Law of Heat Radiation and Its Theoretical Proof
- Spectral Distribution of Blackbody Radiation
- Wien's Displacement Law
- Stefan-boltzmann Law of Radiation
- Overview: Kinetic Theory of Gases and Radiation
Angular Momentum
- Definition of M.I., K.E. of Rotating Body
- Rolling Motion
- Physical Significance of M.I (Moment of Inertia)
- Torque and Angular Momentum
- Theorems of Perpendicular and Parallel Axes
- M.I. of Some Regular Shaped Bodies About Specific Axes
Thermodynamics
- Thermodynamics
- Thermal Equilibrium
- Measurement of Temperature
- Heat, Internal Energy and Work
- First Law of Thermodynamics
- Thermodynamic State Variables and Equation of State
- Thermodynamic Process
- Heat Engine
- Refrigerators and Heat Pumps
- Second Law of Thermodynamics
- Carnot Cycle and Carnot Engine
- Overview: Thermodynamics
Oscillations
- Periodic and Oscillatory Motion
- Simple Harmonic Motion (S.H.M.)
- Differential Equation of Linear S.H.M.
- Projection of U.C.M.(Uniform Circular Motion) on Any Diameter
- Phase of K.E (Kinetic Energy)
- K.E.(Kinetic Energy) and P.E.(Potential Energy) in S.H.M.
- Composition of Two S.H.M.’S Having Same Period and Along Same Line
- Some Systems Executing Simple Harmonic Motion
Elasticity
- Eneral Explanation of Elastic Property
- Stress and Strain
- Hooke’s Law
- Elastic Energy
- Elastic Constants and Their Relation
- Determination of ‘Y’
- Behaviour of Metal Wire Under Increasing Load
- Application of Elastic Behaviour of Materials
Oscillations
- Oscillations
- Explanation of Periodic Motion
- Linear Simple Harmonic Motion (S.H.M.)
- Differential Equation of Linear S.H.M.
- Acceleration (a), Velocity (v) and Displacement (x) of S.H.M.
- Amplitude (A), Period (T) and Frequency (N) of S.H.M.
- Reference Circle Method
- Phase in S.H.M.
- Graphical Representation of S.H.M.
- Composition of Two S.H.M.’S Having Same Period and Along Same Line
- The Energy of a Particle Performing S.H.M.
- Simple Pendulum
- Angular S.H.M. and It's Differential Equation
- Damped Oscillations
- Free Oscillations, Forced Oscillations and Resonance Oscillations
- Periodic and Oscillatory Motion
- Overview: Oscillations
Superposition of Waves
- Superposition of Waves
- Progressive Waves
- Reflection of Waves
- Stationary Waves
- Free and Forced Vibrations
- Harmonics and Overtones
- Sonometer
- Beats
- Characteristics of Sound
- Musical Instruments
- The Speed of a Travelling Wave
- Speed of Wave Motion
- Study of Vibrations of Air Columns
- Overview: Superposition of Waves
Surface Tension
- Molecular Theory of Surface Tension
- Surface Tension
- Capillarity and Capillary Action
- Effect of Impurity and Temperature on Surface Tension
Wave Motion
- Wave Motion Introduction
- Simple Harmonic Progressive Waves,
- Reflection of Transverse and Longitudinal Waves
- Change of Phase
- Principle of Superposition of Waves
- Formation of Beats
- Beats
Wave Optics
- Introduction of Wave Optics
- Nature of Light
- Light as a Wave
- Huygens’ Theory
- Reflection of Light at a Plane Surface
- Refraction of Light at a Plane Boundary Between Two Media
- Polarization
- Interference
- Diffraction of Light
- Resolving Power
- Overview: Wave Optics
Electrostatics
- Concept of Electrostatics
- Application of Gauss' Law
- Electric Potential and Potential Difference
- Electric Potential Due to a Point Charge, a Dipole and a System of Charges
- Equipotential Surfaces
- Electrical Energy of Two Point Charges and of a Dipole in an Electrostatic Field
- Conductors and Insulators, Free Charges and Bound Charges Inside a Conductor
- Dielectrics
- Combination of Capacitors
- Displacement Current
- Energy Stored in a Charged Capacitor
- Van De Graaff Generator
- Uniformly Charged Infinite Plane Sheet and Uniformly Charged Thin Spherical Shell (Field Inside and Outside)
- Overview: Electrostatics
Stationary Waves
- Study of Vibrations in a Finite Medium
- Formation of Stationary Waves on String
- Study of Vibrations of Air Columns
- Free and Forced Vibrations
- Forced Oscillations and Resonance
Current Electricity
- Current Electricity
- Kirchhoff’s Laws of Electrical Network
- Wheatstone Bridge
- Potentiometer
- Galvanometer
- Moving Coil Galvanometer
- Overview: Current Electricity
Kinetic Theory of Gases and Radiation
- Concept of an Ideal Gas
- Assumptions of Kinetic Theory of Gases
- Mean Free Path
- Derivation for Pressure of a Gas
- Degrees of Freedom
- Derivation of Boyle’s Law
- Thermal Equilibrium
- First Law of Thermodynamics
- Heat Engine
- Temperature and Heat
- Qualitative Ideas of Black Body Radiation
- Wien's Displacement Law
- Green House Effect
- Stefan's Law
- Maxwell Distribution
- Specific Heat Capacities - Gases
- Law of Equipartition of Energy
Wave Theory of Light
Magnetic Fields Due to Electric Current
- Magnetic Fields Due to Electric Current
- Magnetic force
- Cyclotron
- Helical Motion
- Magnetic Force on a Wire Carrying a Current
- Force on a Closed Circuit in a Magnetic Field
- Torque on a Current-Loop in a Uniform Magnetic Field
- Magnetic Dipole Moment
- Magnetic Potential Energy of a Dipole
- Biot-Savart Law
- Force of Attraction Between Two Long Parallel Wires
- Magnetic Field Produced by a Current in a Circular Arc of a Wire
- Applications of Biot-Savart's Law > Magnetic Field on the Axis of a Circular Current-Carrying Loop
- Magnetic Lines for a Current Loop
- Ampere's Law
- Applications of Ampere’s Circuital Law > Magnetic Field of a Toroidal Solenoid
- Overview: Magnetic Fields Due to Electric Current
Interference and Diffraction
- Interference of Light
- Conditions for Producing Steady Interference Pattern
- Interference of Light Waves and Young’s Experiment
- Analytical Treatment of Interference Bands
- Measurement of Wavelength by Biprism Experiment
- Fraunhofer Diffraction Due to a Single Slit
- Rayleigh’s Criterion
- Resolving Power of a Microscope and Telescope
- Difference Between Interference and Diffraction
Magnetic Materials
- Magnetic Materials
- Torque Acting on a Magnetic Dipole in a Uniform Magnetic Field
- Origin of Magnetism in Materials
- Magnetisation and Magnetic Intensity
- Magnetic Properties of Materials
- Classification of Magnetic Materials
- Hysteresis: Retentivity and Coercivity
- Permanent Magnet
- Magnetic Shielding
- Overview: Magnetic Materials
Electromagnetic Induction
- Electromagnetic Induction
- Faraday's Laws of Electromagnetic Induction
- Lenz's Law
- Flux of the Field
- Motional Electromotive Force (e.m.f.)
- Induced Emf in a Stationary Coil in a Changing Magnetic Field
- Generators
- Back Emf and Back Torque
- Induction and Energy Transfer
- Eddy Currents or Foucault Currents
- Self Inductance
- Energy Stored in a Magnetic Field
- Energy Density of a Magnetic Field
- Mutual Inductance
- Transformers
- Overview of Electromagnetic Induction
Electrostatics
- Applications of Gauss' Theorem
- Mechanical Force on Unit Area of a Charged Conductor
- Energy Density of a Medium
- Dielectrics
- Concept of Condenser
- The Parallel Plate Capacitor
- Capacity of Parallel Plate Condenser
- Effect of Dielectric on Capacity
- Energy of Charged Condenser
- Condensers in Series and Parallel,
- Van-deGraaff Generator
Current Electricity
- Kirchhoff’s Laws
- Wheatstone Bridge
- Meter Bridge
- Metre Bridge: Slide-Wire Bridge
- Potentiometer
AC Circuits
- AC Circuits
- Average and RMS Values
- Phasors
- Different Types of AC Circuits: AC Voltage Applied to a Resistor
- Different Types of AC Circuits: AC Voltage Applied to an Inductor
- Different Types of AC Circuits: AC Voltage Applied to a Capacitor
- Different Types of AC Circuits: AC Voltage Applied to a Series LCR Circuit
- Power in AC Circuit
- LC Oscillations
- Electric Resonance
- Sharpness of Resonance: Q Factor
- Choke Coil
- Overview: AC Circuits
Dual Nature of Radiation and Matter
- Dual Nature of Radiation and Matter
- The Photoelectric Effect
- Wave-particle Duality of Electromagnetic Radiation
- Photo Cell
- De Broglie Hypothesis
- Davisson and Germer Experiment
- Wave-particle Duality of Matter
- Overview: Dual Nature of Radiation and Matter
Magnetic Effects of Electric Current
Structure of Atoms and Nuclei
- Structure of the Atom and Nucleus
- Thomson’s Atomic Model
- Geiger-marsden Experiment
- Lord Rutherford’s Atomic model
- Atomic Spectra
- Bohr’s Atomic Model
- Atomic Nucleus
- Constituents of a Nucleus
- Isotopes
- Atomic and Nuclear Masses
- Size and Density of the Nucleus
- Mass Defect and Binding Energy
- Binding Energy Curve
- Forms of Energy > Nuclear Energy
- Nuclear Binding Energy
- Radioactive Decays
- Law of Radioactive Decay
- Overview: Structure of Atoms and Nuclei
Magnetism
Semiconductor Devices
- Basics of Semiconductor Devices
- p-n Junction Diode as a Rectifier
- Special Purpose Junction Diodes
- Bipolar Junction Transistor (BJT)
- Basics of Logic Gates
- Overview: Semiconductor Devices
Electromagnetic Inductions
- Electromagnetic Induction
- Self Inductance
- Mutual Inductance
- Transformers
- Need for Displacement Current
- Coil Rotating in Uniform Magnetic Induction
- A.C. Generator
- Reactance and Impedance
- LC Oscillations
- Inductance and Capacitance
- Resonant Circuits
- Power in AC Circuit
- Lenz’s Law and Conservation of Energy
Electrons and Photons
Atoms, Molecules and Nuclei
- Alpha-particle Scattering and Rutherford’s Nuclear Model of Atom
- Bohr’s Model for Hydrogen Atom
- Hydrogen Spectrum
- Atomic Masses and Composition of Nucleus
- Radioactivity
- Law of Radioactive Decay
- Atomic Mass, Mass - Energy Relation and Mass Defect
- Nuclear Binding Energy
- Nuclear Fusion – Energy Generation in Stars
- de-Broglie Relation
- Wave Nature of Matter
- Wavelength of an Electron
- Davisson and Germer Experiment
- Continuous and Characteristics X-rays
- Mass Defect and Binding Energy
Semiconductors
- Energy Bands in Solids
- Extrinsic Semiconductor
- Applications of n-type and p-type Semiconductors
- Special Purpose P-n Junction Diodes
- Semiconductor Diode
- Zener Diode as a Voltage Regulator
- I-V Characteristics of Led
- Transistor and Characteristics of a Transistor
- Transistor as an Amplifier (Ce-configuration)
- Transistor as a Switch
- Oscillators
- Digital Electronics and Logic Gates
Communication Systems
- Applications of Bernoulli's theorem
- Action of atomiser
- Blowing of roofs by wind storms
- Venturimeter
- Blood Flow and Heart Attack
- Dynamic Lift
(a) Ball moving without spin
(b) Ball moving with spin
(c) Aerofoil or lift on aircraft wing
Notes
Bernoulli’s Principle
For a streamlined fluid flow, the sum of the pressure (P), the kinetic energy per unit volume `((ρv)^2/2)` and the potential energy per unit volume (ρgh) remain constant.
Mathematically:- `"P"+ (ρv^2)/2 + ρgh = "constant"`
-
where P= pressure,
-
`"E"/ ("Volume")=1/2"mv"^2/V = 1/2v2(m/V) = 1/2ρv2`
-
`"E"/("Volume") = "mgh"/"V" = ("m"/"V")"gh" = "ρgh"'`
Derive: Bernoulli’s equation:
Mathematically:-
Consider the fluid initially lying between B and D. In an infinitesimal time interval `Delta"t"`, this fluid would have moved.
Suppose `v_1`= speed at B and `v_2`= speed at D, initial distance moved by fluid from B to `"C" = "v"_1Delta"t" `
in the same interval `Delta"t"`fluid distance moved by D to `E = v_2Deltat.`
P1 = pressure A1, P2 = pressure at A2
work done on the fluid at left end(BC) `"W"_1 = "P"_1"A"_1("v"_1Delta"t")`
work done by the fluid at the other end (DE)`"W"_2="P"_2"A"_2("v"_2Delta"t")`
Net work done on the fluid is `"W"_1 -"W"_2=("P"_1"A"_1"v"_1Delta"t"-"P"_2"A"_2"v"_2Delta"t")`
By the equation of contunity Av = constant
`"P"_1"A"_1"v"_1Delta"t"-"P"_2"A"_2"v"_2Delta"t"` where `"A"_1"v"_1Delta"t"="P"_1Delta"V" and "A"_2"v"_2Delta"t" = "P"_2Delta"V"`
Therefore work done = `("P"_1-"P"_2) Delta"Vequation"("a")`
Part of this work goes in changing kinetic energy, `Delta"K"=1/2"m"("v"_2^2-"v"_1^2)` and part in gravitational potential energy, `Delta"U"="mg"("h"_2-"h"_1)`
The total change in energy `Delta"E" = Delta"K" + Delta"U"=1/2"m"("v"_2^2-"v"_1^2)+"mg"("h"_2-"h"_1)` ...(i)
Density of fluid `rho="m"/"V" or "m"=rho"V"`
Therefore in small interval of time `Delta"t"`,small change in mass `Delta"m"`. `Delta"m"=rhoDelta"V"` ...(ii)
Substituting eq(ii) in eq(i)
`Delta"E"=1/2rhoDelta"V"("v"_2^2-"v"_1^2)+rho"g"Delta"V"("h"_2-"h"_1)` ....(b)
By using work energy theorem: `"W" = Delta"E"`
From (a) and (b)`
`("P"_1-"P"_2)Delta"V"=1/2rhoDelta"V"("v"_2^2-"v"_1^2)+rhoDelta"V"("h"_2-"h"_1)`
`"P"_1"P"_2 = 1/2rhov_2^2-1/2rhov_1^2+rho"gh"_2-rho"gh"_1` ...(By cancelling `Delta"V"` from both the sides)
After rearranging we get `P_1+1/2rho"v"_1^2 + rho"gh"_1 = 1/2rho"v"_2^2 + rho"gh"_2`
`"P" + 1/2rho"v"^2+rho"gh"="constant"`
This is the bernoullis equation.

The flow of an ideal fluid in a pipe of varying cross-section. The fluid in a section of length `"v"_1`Δt moves to the section of length `"v"2`Δt in time Δt.
Special case:
When a fluid is at rest. this means `v_1=v_2=0`
from Bernoulli's equation `P_1+1/2rho"v"_1^2 + rho"gh"_1 = 1/2rho"v"_2^2 + rho"gh"_2`
By putting `v_1=v_2=0` in the above eq.
`"P"_1"P"_2=rho"g"("h"_2-"h"_1)` this eq is same as when the fluids are at rest.
when the pipe is horizontal `h_1=h_2` this means there is no potential energy by the virtue of height.
Therefore from Bernoullis equation `(P_1+1/2rhov_1^2+rhogh_1 = 1/2rhov_2^2+rhogh_2)`
By simplifying, `"P"+1/2rhov^2="constant"`
Torricelli’s law
-
Torricelli law states that the speed of flow of fluid from an orifice is equal to the speed that it would attain if falling freely for a distance equal to the height of the free surface of the liquid above the orifice.
-
Consider any vessel which has an orifice (slit)filled with some fluid.
-
The fluid will start flowing through the slit and according to Torricelli law, the speed with which the fluid will flow is equal to the speed with which a freely falling body attains such that the height from which the body falls is equal to the height of the slit from the free surface of the fluid.
-
Let the distance between the free surface and the slit = h
-
The velocity with which the fluid flows is equal to the velocity with which a freely falling body attains if it is falling from a height h.
Derivation:
- Let A1= area of the slit (it is very small), v1= Velocity with which fluid is flowing out.
- A2=Area of the free surface of the fluid,v2=velocity of the fluid at the free surface.
- From Equation of Continuity, Av=constant.Therefore A1v1 = A2v2.
- From the figure, A2>>>A1, This implies v2<<v1(This means fluid is at rest on the free surface), Therefore v2~ 0.
- Using Bernoulli’s equation
`"P" + 1/2rho"v"^2+rho"gh"="constant"`
Applying Bernoulli’s equation at the slit:
`"P"_"a"+1/2rho"v"_1^2+rho"gy"_1` ...(1)
where `"P"_a = "Atmospheric pressure", "y"_1="height of the slit from the base".`
applying Bernoullis equation at the surface:
`P+rhogy_2` ...(2)
where as `v_2=0 therefore1/2rhov_1^2=0,y_2="height of the free surface from the base"`
by equation (1) & (2)
`"P"_a + 1/2rho"v"_1^2 + rho"gy"_1 = "P"+rho"gy"_2`
`1/2rhov_1^2=(P-P_a) + rhog(y_2-y_1)`
`=(P-P_a)rhogh("where h"=(y_2-y_1))`
`v_1^2=2/rho[(P-P_a)+rhogh]`
Therefore `v_1=sqrt2/rho[(P-P_a)+rhogh]` this is the velocity by which the fluid will come out of the small slit.
`v_1`is known as speed of Efflux. this means the speed of the fluid outflow.

Torricelli’s law:- The speed of efflux, v1, from the side of the container is given by the application of Bernoulli’s equation.
Case1:- The vessel is not closed it is open to the atmosphere that means P=Pa.
-
Therefore `"v"_1=sqrt(2"gh")`.This is the speed of a freely falling body.
-
This is in accordance with Torricelli’s law which states that the speed by which the fluid is flowing out of a small slit of a container is the same as the velocity of a freely falling body.
-
Case2:-Tank is not open to the atmosphere but P>>Pa.
-
Therefore 2gh is ignored as it is very very large, hence `"v"_1=sqrt(2"p")/rho`
-
The velocity with which the fluid will come out of the container is determined by the pressure at the free surface of the fluid alone.
Problem: -Calculate the velocity of the emergence of a liquid from a hole in the side of a wide cell 15cm below the liquid surface?
Answer:-
By using Torricelli’s law `"v"_1=sqrt(2"gh")`
`=2xx9.8xx15xx10^-2"m"//"s"`
=1.7m/s
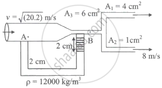
Venturimeter
-
Venturimeter is a device to measure the flow of incompressible liquid.
-
It consists of a tube with a broad diameter having a larger cross-sectional area but there is a small constriction in the middle.
-
It is attached to the U-tube manometer. One end of the manometer is connected to the constriction and the other end is connected to the broader end of the Venturimeter.
-
The U-tube is filled with a fluid whose density is ρ.
-
`"A"_1`= cross-sectional area at the broader end, `"v"_1` = velocity of the fluid.
-
`"A"_2`=cross-sectional area at the constriction, `"v"2`= velocity of the fluid.
-
By the equation of continuity, wherever the area is more velocity is less and vice-versa. As `"A"_1` is more this implies `"v"_1` is less and vice-versa.
-
The pressure is inversely ∝ to Therefore at `"A"_1` pressure `"P"_1` is less as compared to pressure `"P"_2` at `"A"_2`.
-
This implies `"P"_1<"P"_2` as `"v"_1>"v"_2`.
-
As there is a difference in the pressure the fluid moves, this movement of the fluid is marked by the level of the fluid increase at one end of the U-tube.

Venturimeter: determining the fluid speed.
By equation of continuity:- `"A"_1"v"_1="A"_2"v"_2`
This implies `"v"_2=("A"_1/"A"_2)"V"_1` ...(1)
By bernoullis equation:-
`"P"_1+1/2rho"v"_1^2 + rho"gh"_1 = 1/2rho"v"_2^2 + rho"gh"_2`
As height is the same we can ignore the term `rhog`
This implies `P_1-P_2=1/2rho(v_2^2-v_1^2)`
`=1/2rho(A_1^2/A_2^2(v_1^2-v_1^2))`
`=1/2rho(A_1^2/A_2^2-1)`
As there is pressure difference the level of the fluid in the U-tube changes.
`("P"_1-"P"_2)=hrho_mg "where" rho_m` (density of the fluid inside the manometer).
`1/2rho"v"_1^2("A"_1^2/"A"_2^2-1)="h"rho_m"g"`
`v_1=2"h"rho_m"g"/rho["A"_1^2/"A"_2^2-1]^-(1/2)`
Practical Application of Venturimeter:
-
Spray Gun or perfume bottle- They are based on the principle of Venturimeter.
-
Consider a bottle filled with fluid which has a pipe that goes straight till constriction. There is a narrow end of a pipe that has a greater cross-sectional area.
-
The cross-sectional area of constriction which is in the middle is less.
-
There is pressure difference when we spray as a result some air goes in, the velocity of the air changes depending on the cross-sectional area.
-
Also because of the difference in the cross-sectional area there is a pressure difference, the level of the fluid rises and it comes out.

-
Dynamic Lift
-
Dynamic lift is the normal force that acts on a body by virtue of its motion through a fluid.
-
Consider an object which is moving through the fluid, and due to the motion of the object through the fluid, there is a normal force that acts on the body.
-
This force is known as dynamic lift.
-
Dynamic lift is most popularly observed in airplanes.
-
Whenever an aeroplane is flying in the air, due to its motion through the fluid here fluid is air in the atmosphere. Due to its motion through this fluid, there is a normal force that acts on the body in the vertically upward direction.
-
This force is known as Dynamic lift.
-
Examples:
-
Airplane wings
-
Spinning ball in the air
Dynamic lift on airplane wings:-
-
Consider an aeroplane whose body is streamlined. Below the wings of the aeroplane there is air that exerts an upward force on the wings. As a result, aeroplane experiences a dynamic lift.
Magnus Effect
-
Dynamic lift by virtue of spinning is known as the Magnus effect.
-
Magnus effect is a special name given to dynamic lift by virtue of spinning.
-
Example:-Spinning of a ball.
Case1:-When the ball is not spinning.
-
The ball moves in the air it does not spin, the velocity of the ball above and below the ball is the same.
-
As a result, there is no pressure difference.(ΔP= 0).
-
Therefore there is no dynamic lift.

Case2:- When the ball is moving in the air as well as spinning.
-
When the ball spins it drags the air above it, therefore, the velocity above the ball is more as compared to the velocity below the ball.
-
As a result, there is a pressure difference; the pressure is more below the ball.
-
Because of the pressure difference, there is an upward force which is the dynamic lift.

Problem:- A fully loaded Boeing aircraft has a mass of 3.3x105kg. Its total wing area is 500m2. It is a level flight with a speed of 960km/h. Estimate the pressure difference between the lower and upper surfaces of the wings.
Answer:-
Weight of the aircraft= Dynamic lift
`"mg" = ("P"_1-"P"_2)"A"`
`"mg"/"A"=DeltaP`
`DeltaP=3.3xx10^5xx9.8/500`
=6.5x103 N/m2

