Advertisements
Advertisements
Question
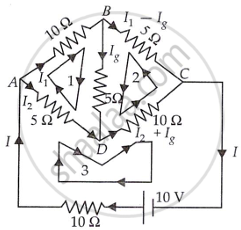
Determine the current in each branch of the network shown in figure.

Advertisements
Solution
Let us first distribute the current in different branches. Now, equations for different loops using Kirchhoff’s IInd law,

Loop 1
∑E = ∑IR
10I1 + 5Ig − 5I2 = 0 or
2I1 + Ig − I2 = 0 ...(i)
Loop 2
∑E = ∑IR
5Ig + 10[I2 + Ig] − 5[I1 − Ig] = 0
10I2 + 20Ig − 5I1 = 0 or
2I2 + 4Ig − 11 = 0 ...(ii)
Loop 3
5I2 + 10(I2 + Ig) + 10I = 10
15I2 + 10Ig + 10I = 10
or 3I2 + 2Ig + 2I = 2 ...(iii)
Solving equations (i) and (ii)
2I1 + Ig − I2 = 0
[−I1 + 4Ig + 2I2 = 0]2
or 9Ig + 3I2 = 0
or I2 = −3Ig ...(iv)
[−I1 + 4Ig + 2I2 = 0]2
or 9Ig + 3I2 = 0
or I2 = −3Ig ...(iv)
In the loop ABCDA
10I1 + 5[I1 − Ig] − 10[I2 + Ig] − 512 = 0
15I1 −15I2 −15Ig = 0
or I1 − I2 − Ig = 0 ...(v)
Solving equations (ii) and (v)
2I2 + 4Ig − I1 = 0 or
2(I1 − I2 − Ig = 0) or
2Ig + I1 = 0 or
I1 = −2Ig ...(vi)
Now using the result of (iv) and (vi) in equation (iii)
3I2 + 2Ig + 2I = 2
−3[3Ig] + 2Ig + 2I = 2 or
2I − 7Ig = 2 ...(vii)
Using Kirchhoff’s law, I = I1 + I2
I = −5Ig
So, equation (vii)
2[−5Ig] − 7Ig = 2 or
−17Ig = 2
So, finally Ig = −2/17 A and
`I = (+10)/17 A`
Also `I_1 = 4/17 A`, `I_2 = 6/17 A`
Current in branch AB = `4/17 A`
Current in branch AD = `6/17 A`
Current in branch BD = `(-2)/17 A`
Current in branch BC = `6/17 A`
Current in branch DC = `4/17 A`
APPEARS IN
RELATED QUESTIONS
Given n resistors each of resistance R, how will you combine them to get the (i) maximum (ii) minimum effective resistance? What is the ratio of the maximum to minimum resistance?
ε1 and ε2 are two batteries having emf of 34V and 10V respectively and internal resistance of 1Ω and 2Ω respectively. They are connected as shown in the figure below. Using Kirchhoff’s Laws of electrical networks, calculate the currents I1 and I2.

State Kirchhoff's rules and explain on what basis they are justified.
Given the resistances of 1 Ω, 2 Ω, 3 Ω, how will be combine them to get an equivalent resistance of (6/11) Ω?
Calculate the value of the resistance R in the circuit shown in the figure so that the current in the circuit is 0.2 A. What would b the potential difference between points A and B?

Twelve wires, each of equal resistance r, are joined to form a cube, as shown in the figure. Find the equivalent resistance between the diagonally-opposite points a and f.

Find the equivalent resistances of the networks shown in the figure between the points a and b.





Two unequal resistances, R1 and R2, are connected across two identical batteries of emf ε and internal resistance r (see the figure). Can the thermal energies developed in R1 and R2 be equal in a given time? If yes, what will be the condition?

State Kirchhoff ’s voltage rule.
Obtain the condition for bridge balance in Wheatstone’s bridge.
Assertion: Kirchhoff’s junction rule follows from conservation of charge.
Reason: Kirchhoff’s loop rule follows from conservation of momentum.
While measuring the length of the rod by vernier callipers, the reading on the main scale is 6.4 cm and the eight divisions on vernier is in line with marking on the main scale division. If the least count of callipers is 0.01 and zero error - 0.04 cm, the length of the rod is ______.
The figure below shows current in a part of electric circuit. The current I is ______.

Three resistors having resistances r1, r2 and r3 are connected as shown in the given circuit. The ratio `i_3/i_1` of currents in terms of resistances used in the circuit is:
In a meter bridge the point D is a neutral point (Figure).
- The meter bridge can have no other neutral point for this set of resistances.
- When the jockey contacts a point on meter wire left of D, current flows to B from the wire.
- When the jockey contacts a point on the meter wire to the right of D, current flows from B to the wire through galvanometer.
- When R is increased, the neutral point shifts to left.
What are the advantages of the null-point method in a Wheatstone bridge? What additional measurements would be required to calculate `R_(unknown)` by any other method?
Why are alloys used for making standard resistance coils?
Power P is to be delivered to a device via transmission cables having resistance RC. If V is the voltage across R and I the current through it, find the power wasted and how can it be reduced.
Derive the equation of the balanced state in a Wheatstone bridge using Kirchhoff’s laws.
The value of current in the 6Ω resistance is ______.
