Advertisements
Advertisements
प्रश्न
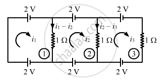
Find the circuit in the three resistors shown in the figure.

Advertisements
उत्तर

Applying KVL in loop 1, we get:-
\[2 + \left( i_1 - i_2 \right) \times 1 - 2 = 0\]
\[ \Rightarrow i_1 = i_2\]
Applying KVL in loop 2, we get:-
\[2 + \left( i_2 - i_3 \right) \times 1 - 2 - \left( i_1 - i_2 \right) \times 1 = 0\]
\[ \Rightarrow i_2 - i_3 - i_1 + i_2 = 0\]
\[ i_1 = i_2 \]
\[ \Rightarrow i_2 - i_3 - i_2 + i_2 = 0\]
\[ \Rightarrow i_2 = i_3\]
Applying KVL in loop 3, we get:-
\[2 + i_3 - 2 - \left( i_2 - i_3 \right) = 0\]
\[ \Rightarrow i_3 = 0\]
\[ i_1 = i_2 = i_3 \]
\[ \therefore i_1 = i_2 = i_3 = 0\]
APPEARS IN
संबंधित प्रश्न
Kirchhoff's junction law is equivalent to .............................
(a) conservation of energy.
(b) conservation of charge
(c) conservation of electric potential
(d) conservation of electric flux
Use Kirchhoff's rules to obtain conditions for the balance condition in a Wheatstone bridge.
State Kirchhoff's rules and explain on what basis they are justified.
Given the resistances of 1 Ω, 2 Ω, 3 Ω, how will be combine them to get an equivalent resistance of (11/3) Ω?
Determine the equivalent resistance of networks shown in Fig.

Calculate the value of the resistance R in the circuit shown in the figure so that the current in the circuit is 0.2 A. What would b the potential difference between points A and B?

Solve the following question.
Using Kirchhoff’s rules, calculate the current through the 40 Ω and 20 Ω resistors in the following circuit.

State the principle of potentiometer.
State and explain Kirchhoff’s rules.
A copper wire of 10-6 m2 area of cross-section, carries a current of 2 A. If the number of electrons per cubic meter is 8 × 1028, calculate the current density and average drift velocity.
A potentiometer wire has a length of 4 m and resistance of 20 Ω. It is connected in series with resistance of 2980 Ω and a cell of emf 4 V. Calculate the potential along the wire.
Figure shows current in a part of an electrical circuit. Then current I is ______.

The Kirchhoff's second law (ΣiR = ΣE), where the symbols have their usual meanings, is based on ______.
Three resistors having resistances r1, r2 and r3 are connected as shown in the given circuit. The ratio `i_3/i_1` of currents in terms of resistances used in the circuit is:
In a meter bridge the point D is a neutral point (Figure).
- The meter bridge can have no other neutral point for this set of resistances.
- When the jockey contacts a point on meter wire left of D, current flows to B from the wire.
- When the jockey contacts a point on the meter wire to the right of D, current flows from B to the wire through galvanometer.
- When R is increased, the neutral point shifts to left.
Two cells of voltage 10V and 2V and internal resistances 10Ω and 5Ω respectively, are connected in parallel with the positive end of 10V battery connected to negative pole of 2V battery (Figure). Find the effective voltage and effective resistance of the combination.

State the two Kirchhoff’s rules used in the analysis of electric circuits and explain them.
Derive the equation of the balanced state in a Wheatstone bridge using Kirchhoff’s laws.
A constant voltage of 50 V is maintained between the points A and B of the circuit shown in the figure. The current through the branch CD of the circuit is:

