Advertisements
Advertisements
Question
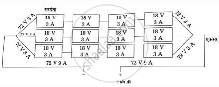
नामनिर्देशित आकृती काढा.
एका सौर पॅनेलपासून 18 V विभवांतर आणि 3 A विद्युतधारा मिळते. 72 V विभवांतर आणि 9 A विद्युतधारा मिळवण्यासाठी सौर पॅनेल वापरून सौर ॲरे कशा प्रकारे बनवता येईल याची आकृती काढा. आकृतीत तुम्ही सौर पॅनेल दर्शविण्यासाठी विद्युत घटाचे चिन्ह वापरू शकता.
Advertisements
Solution
दिलेले विभवांतर = 18 V आणि विद्युतधारा = 3 A.
आवश्यकता असलेले विभवांतर = 72V आणि विद्युतधारा =9A.
- सौर घटांची समांतर जोडणी केल्यास विभवांतर याची बेरीज होत नाही. परंतु एकसर जोडणी केल्यास विभवांतराची बेरीज होते.
- सौर घटांच्या एकसर जोडणीत विद्युतधारा बेरीज होत नाही, मात्र समांतर जोडणीत विद्युतधारेची बेरीज होते. म्हणून आकृती पुढीलप्रमाणे काढावी लागेल.

APPEARS IN
RELATED QUESTIONS
खालील विद्युत निर्मिती केंद्रात टप्याटप्याने होणारे उर्जा रूपांतरण स्पष्ट करा.
सौर-औष्णिक विद्युत निर्मिती केंद्र
सौर औष्णिक विद्युत निर्मितीचे संकल्पना चित्र तयार करा.
नामनिर्देशित आकृती काढा.
सौर औष्णिक विद्युत केंद्रासाठी ऊर्जा रूपांतरण दर्शविणारी.
सौर विद्युत घट सूर्यकिरणातील प्रकाश ऊर्जेचे सरळपणे ______ रूपांतर करतात.
सिलिकॉनच्या 1 चौसेमी क्षेत्रफळाच्या एका सौर विद्युत घटापासून जवळपास __________ एवढे विभवांतर मिळते.
सौर घटापासून मिळणारी विद्युतशक्ती : दिष्ट : : घरगुती उपकरणांना लागणारी विद्युतशक्ती : _________
अनेक सौर पॅनेल समांतर पद्धतीने जोडून स्ट्रिंग बनते.
सौर घटापासून मिळणारे विभवांतर त्याच्या क्षेत्रफळावर अवलंबून असते.
जोड्या लावा.
| स्तंभ 'अ' | स्तंभ 'ब' |
| 1) सौर घटांची एकसर जोडणी | अ) जास्त विद्युतधारा मिळवण्यासाठी |
| 2) सौर घटांची समांतर जोडणी | ब) विभवांतर आणि विद्युतधारा यांचे प्रमाण वाढवण्यासाठी |
| क) जास्त विभवांतर मिळवण्यासाठी |
सौर प्रवर्तक महत्त्वाचा का?
