Advertisements
Advertisements
प्रश्न
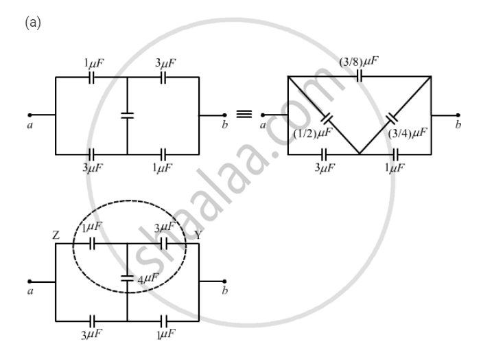
Find the equivalent capacitances of the combinations shown in figure between the indicated points.




Advertisements
उत्तर

Applying star-delta conversion in the part indicated in the diagram.

The Capacitance of the `C_1` is given by
`C_1^' = (C_2C_3)/(C_1+C_2+C_3)`
`C_2^' = (C_1C_3)/(C_1+C_2+C_3)`
`C_3^' = (C_1C_2)/(C_1+C_2+C_3)`
⇒ `C_1'^ = (3 xx 4)/(1+3+4) = 12/8 "uF"`
⇒ `C_2^' = (1 xx 3)/(1+3+4) = 3/8 "uF"`
⇒ `C_3^' = (1 xx 4)/(1+3+4) = 4/8 "uF"`
Thus, the equivalent circuit can be drawn as :

Therefore, the equivalent capacitance is given by
`C_(eq) = 3/8 + [((3+1/2) xx (3/2+1))/((3+1/2)+(3/2+1))]` = `3/8 + 35/24 = (9+35)/24 = 11/6 "uF"`


`1+1 = 2 "uF"`
(c)
It is a balanced bridge.
Therefore, the capacitor of capacitance 5 μF can be removed.

Cef = `4/3+8/3+4 = 8 "uF"`
The capacitance of the two branches are :
`C_1 = (2 xx 4)/(2+4) = 4/3 uF`
`C_2 = (4 xx 8)/(4+8) = 8/3 uF`
∴ Equivalent capacitance = `4/3 + 8/3 + 4 = 8 "uF"`

It can be observed that the bridges are balanced.
Therefore, the capacitors of capacitance 6 μF between the branches can be removed
The capacitances of the four branches are :
`C_1 = (2 xx 4)/(2+4) = 4/3 uF`
`C_2 = (4 xx 8)/(4+8) = 8/3 uF`
`C_3 = (4 xx 8)/(4+8) = 8/3 uF`
`C_4 = (2 xx 4)/(2+4) = 4/3 uF`
∴ Equivalent capacitance
= `4/3 + 8/3 + 8/3 + 4/3`
= ` 8 "uF"`

APPEARS IN
संबंधित प्रश्न
A bulb is connected in series with a variable capacitor and an AC source as shown. What happens to the brightness of the bulb when the key is plugged in and capacitance of the capacitor is gradually reduced?

A spherical capacitor consists of two concentric spherical conductors, held in position by suitable insulating supports. Show that the capacitance of a spherical capacitor is given by
C = `(4piin_0"r"_1"r"_2)/("r"_1 - "r"_2)`

where r1 and r2 are the radii of outer and inner spheres, respectively.
A parallel-plate capacitor has plate area 25⋅0 cm2 and a separation of 2⋅00 mm between the plates. The capacitor is connected to a battery of 12⋅0 V. (a) Find the charge on the capacitor. (b) The plate separation is decreased to 1⋅00 mm. Find the extra charge given by the battery to the positive plate.
Find the charges on the three capacitors connected to a battery as shown in figure.
Take `C_1 = 2.0 uF , C_2 = 4.0 uF , C_3 = 6.0 uF and V` = 12 volts.

Three capacitors having capacitances 20 µF, 30 µF and 40 µF are connected in series with a 12 V battery. Find the charge on each of the capacitors. How much work has been done by the battery in charging the capacitors?
Find the charge appearing on each of the three capacitors shown in figure .

The outer cylinders of two cylindrical capacitors of capacitance 2⋅2 µF each, are kept in contact and the inner cylinders are connected through a wire. A battery of emf 10 V is connected as shown in figure . Find the total charge supplied by the battery to the inner cylinders.

It is required to construct a 10 µF capacitor which can be connected across a 200 V battery. Capacitors of capacitance 10 µF are available but they can withstand only 50 V. Design a combination which can yield the desired result.
Consider the situation shown in the figure. The switch S is open for a long time and then closed. (a) Find the charge flown through the battery when the switch S is closed. (b) Find the work done by the battery.(c) Find the change in energy stored in the capacitors.(d) Find the heat developed in the system.

A parallel-plate capacitor of capacitance 5 µF is connected to a battery of emf 6 V. The separation between the plates is 2 mm. (a) Find the charge on the positive plate. (b) Find the electric field between the plates. (c) A dielectric slab of thickness 1 mm and dielectric constant 5 is inserted into the gap to occupy the lower half of it. Find the capacitance of the new combination. (d) How much charge has flown through the battery after the slab is inserted?
The work done in placing a charge of 8 × 10–18 coulomb on a condenser of capacity 100 micro-farad is ______.
When air is replaced by a dielectric medium of constant K, the maximum force of attraction between two charges separated by a distance ______.
The capacitance of a parallel plate capacitor is 60 µF. If the distance between the plates is tripled and area doubled then new capacitance will be ______.
Between the plates of parallel plate condenser there is 1 mm thick medium shoot of dielectric constant 4. It is charged at 100 volt. The electric field in volt/meter between the plates of capacitor is ______.
