Advertisements
Advertisements
Question
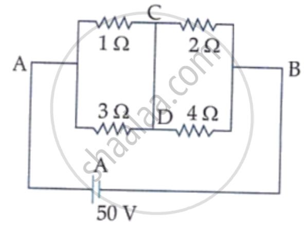
A constant voltage of 50 V is maintained between the points A and B of the circuit shown in the figure. The current through the branch CD of the circuit is:

Options
1.5 A
2.0 A
2.5 A
3.0 A
MCQ
Advertisements
Solution
2.0 A
Explanation:

Taking loop ACDEA
i1 = 2i2 ...(i)
−2i1 + 2i3 + 4i3 + 4i2 = 0
−2i1 + 6i3 + 4i2 = 0
2(−i1 + 3i3 + 2i2) = 0
−i1 + 3i3 + 2i2 = 0
3i3 + 2i2 −i1 = 0 ...(ii)
Solving equations (i) and (ii)
3i3 + 2i2 − 3i2 = 0
3i3 − i2 = 0
i2 = 3i3 ...(iii)
Taking loop EDFGHE
−3i2 − 4(i3 + i2) + 50 = 0
−3i2 − 4i3 − 4i2 + 50 = 0
7i2 + 4i3 = 50
7(3i3) + 4i3 = 50
21i3 + 4i3 = 50
25i3 = 50
i3 = `50/25`
= 2 A
shaalaa.com
Is there an error in this question or solution?
