Advertisements
Advertisements
Question
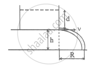
A water barrel stands on a table of height 'h'. A small hole is made on the wall of barrel at its bottom. If the stream of water coming out of the hole strikes the ground at horizontal distance 'R' from the table, the depth 'd' of water in the barrel is ______.
Options
`h/(4R^2)`
`R^2/(2h)`
`R^2/(4h)`
`(4h)/R^2`
MCQ
Fill in the Blanks
Advertisements
Solution
A water barrel stands on a table of height 'h'. A small hole is made on the wall of barrel at its bottom. If the stream of water coming out of the hole strikes the ground at horizontal distance 'R' from the table, the depth 'd' of water in the barrel is `underline(R^2/(4h))`.
Explanation:

R = v
`t=sqrt(2gd) t`
`h=1/2g t^2`
`therefore t=sqrt((2h)/g)`
`thereforeR^2=2gd xx t^2=2gd xx (2h)/g`
`d=R^2/(4h)`
shaalaa.com
Angle of Contact
Is there an error in this question or solution?
