Advertisements
Advertisements
Question
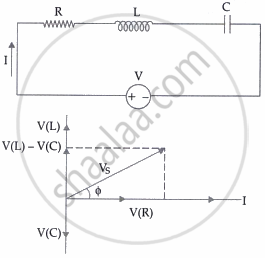
An ac source of voltage v = vm sin ωt is connected to a series combination of LCR circuit. Draw the phasor diagram. Using it obtain an expression for the impedance of the circuit and the phase difference between applied voltage and the current.
Derivation
Diagram
Advertisements
Solution

From the definition of impedance:
For inductance (VL) = I XL = IωL
For capacitor: (Vc) = I XC = `I/(omega C)`
For resistor (VR) = IR
From the phasor diagram,
`V_S^2 = V_R^2 + (V_L - V_C)^2`
(IZ)2 = `(IR)^2 + (IomegaL - I/(omegaC))^2`
Z = `sqrt(R^2 + (omegaL - 1/(omega C^2))`
As resonance, impedance is minimum:
For VC > VL, the circuit is capacitive.
For VL > VC, the circuit is inductive.
I = `V/Z sin(omega t - phi)`
and, θ = `tan^-1((X_L - X_C)/R)`
shaalaa.com
Is there an error in this question or solution?
