Advertisements
Advertisements
प्रश्न
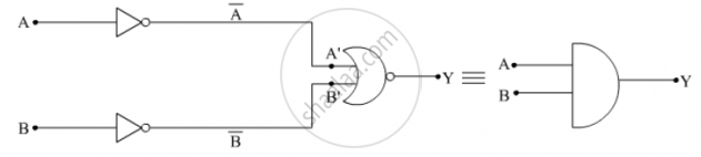
Identify the equivalent gate for the following circuit and write its truth table.

Advertisements
उत्तर

Output,`Y=overline(A'+B')`
Here A′ ≡ Output of A from NOT gate, = `overlineA`
B′ ≡ Output of B from NOT gate, = `overlineB`
Thus, Output `Y=overline(A'+B')`
`=overlineA'*overlineB'`
=`A*B`
So, the equivalent gate for the given circuit is AND GATE.

Truth Table
|
A |
B |
Y = A · B |
|
0 |
0 |
0 |
|
0 |
1 |
0 |
|
1 |
0 |
0 |
|
1 |
1 |
1 |
संबंधित प्रश्न
What is an 'integrated circuit (I.C.) ?
Distinguish between (i) linear I.C. and (ii) digital I.C.
Identify the equivalent gate for the following circuit and write its truth table.

Identify the gate equivalent to the circuit shown in the figure. Write its truth table.

Identify the equivalent gate represented by the circuit shown in the figure. Draw its logic symbol and write the truth table.

In the circuit shown in the figure, identify the equivalent gate of the circuit and make its truth table.

In the circuit shown in the figure, identify the equivalent gate of the circuit and make its truth table.

In the figure given below the input waveform is converted into the output waveform by a device ‘X’. Name the device and draw its circuit diagram.

A piece of copper and another of germanium are cooled from room temperature to 77K. The resistance of ______.
