Advertisements
Advertisements
प्रश्न
Explain briefly the principle on which a transistor-amplifier works as an oscillator. Draw the necessary circuit diagram and explain its working ?
Advertisements
उत्तर
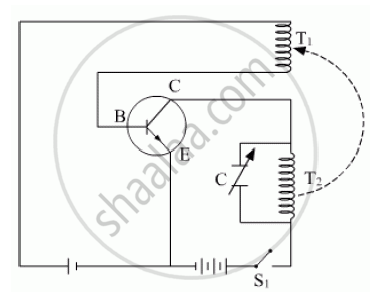
Transistor amplifier as an oscillator: In an oscillator, the output at a desired frequency is obtained without applying any external input voltage.
The common emitter n-p-n transistor as an oscillator is shown in the following figure.
A variable capacitor C of suitable range is connected in parallel to coil T2 to give the variation in frequency.

Oscillator action:
As in an amplifier, the base-emitter junction is forward biased while the base collector junction is reverse biased. When the switch S is put on, a surge of collector flows in the coil T2. The inductive coupling between coil T2 and T1 cause a current to flow in the emitter circuit i.e., feedback from input to output. As a result of positive feedback, the collector current reaches at maximum. When there is no further feedback from T2 to T1, the emitter current begins to fall and collector current decreases. Therefore, the transistor has reverted back to its original state. The whole process now repeats itself.
The resonance frequency (f) of the oscillator is given by:
`f=1/(2pisqrt(LC))`
The tank of tuned circuit is connected in the oscillator side. Hence, it is known as tuned collector oscillator.
संबंधित प्रश्न
For a transistor amplifier, the voltage gain
(a) remains constant for all frequencies.
(b) is high at high and low frequencies and constant in the middle frequency range.
(c) is low at high and low frequencies and constant at mid frequencies.
(d) None of the above.
Two amplifiers are connected one after the other in series (cascaded). The first amplifier has a voltage gain of 10 and the second has a voltage gain of 20. If the input signal is 0.01 volt, calculate the output ac signal.
Motion of hole is a convenient way of describing ______.
A transistor is
In a npn transistor circuit, the collector current is 10 mA. If 95 per cent of the electrons emitted reach the collector, which of the following statements are true?
- The emitter current will be 8 mA.
- The emitter current will be 10.53 mA.
- The base current will be 0.53 mA.
- The base current will be 2 mA.
In a CE transistor amplifier there is a current and voltage gain associated with the circuit. In other words there is a power gain. Considering power a measure of energy, does the circuit voilate conservation of energy?
In the circuit shown in figure, find the value of RC.

