Advertisements
Advertisements
प्रश्न
Derive an expression for energy stored in a capacitor.
Derive an expression for energy stored in a charged capacitor.
Advertisements
उत्तर
Consider a capacitor of capacitance C being charged by a DC source of V volt as shown in figure.

Capacitor charged by a DC source.
During the process of charging, let q' be the charge on the capacitor and V be the potential difference between the plates. Hence
`"C" =("q""'")/"V"`
A small amount of work is done if a small charge dq is further transferred between the plates.
∴ `"dW" ="Vdq"=("q""'")/"Cdq"`
Total work done in transferring the charge
`"W"=int"dw"=int_0^"Q" ("q'")/"C" "dq" = 1/"C"int_0^"Q" "q'" "dq"`
`=1/"C"[(("q""'")^2)/2]_0^"Q" = 1/2 "Q"^2/"C"`
This work done is stored as electrical potential energy U of the capacitor. This work done can be expressed in different forms as follows:
∴ `"U" = 1/2 "Q"^2/"C"=1/2"CV"^2=1/2"QV" (because "Q" = "CV")`
Notes
Students should refer to the answer according to their questions.
APPEARS IN
संबंधित प्रश्न
Explain what would happen if the capacitor given in previous question a 3 mm thick mica sheet (of dielectric constant = 6) were inserted between the plates,
- While the voltage supply remained connected.
- After the supply was disconnected.
A 600 pF capacitor is charged by a 200 V supply. It is then disconnected from the supply and is connected to another uncharged 600 pF capacitor. How much electrostatic energy is lost in the process?
In the following arrangement of capacitors, the energy stored in the 6 µF capacitor is E. Find the value of the following :
(i) Energy stored in 12 µF capacitor.
(ii) Energy stored in 3 µF capacitor.
(iii) Total energy drawn from the battery.

(a) Find the current in the 20 Ω resistor shown in the figure. (b) If a capacitor of capacitance 4 μF is joined between the points A and B, what would be the electrostatic energy stored in it in steady state?

A capacitance C, a resistance R and an emf ε are connected in series at t = 0. What is the maximum value of (a) the potential difference across the resistor (b) the current in the circuit (c) the potential difference across the capacitor (d) the energy stored in the capacitor (e) the power delivered by the battery and (f) the power converted into heat?
The plates of a capacitor of capacitance 10 μF, charged to 60 μC, are joined together by a wire of resistance 10 Ω at t = 0. Find the charge on the capacitor in the circuit at (a) t = 0 (b) t = 30 μs (c) t = 120 μs and (d) t = 1.0 ms.
A 100 μF capacitor is joined to a 24 V battery through a 1.0 MΩ resistor. Plot qualitative graphs (a) between current and time for the first 10 minutes and (b) between charge and time for the same period.
How many time constants will elapse before the charge on a capacitors falls to 0.1% of its maximum value in a discharging RC circuit?
How many time constants will elapse before the energy stored in the capacitor reaches half of its equilibrium value in a charging RC circuit?
Two capacitors of capacitances 4⋅0 µF and 6⋅0 µF are connected in series with a battery of 20 V. Find the energy supplied by the battery.
By evaluating ∫i2Rdt, show that when a capacitor is charged by connecting it to a battery through a resistor, the energy dissipated as heat equals the energy stored in the capacitor.
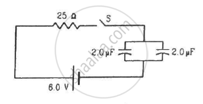
Find the charge on each of the capacitors 0.20 ms after the switch S is closed in the figure.

Each capacitor in figure has a capacitance of 10 µF. The emf of the battery is 100 V. Find the energy stored in each of the four capacitors.

A capacitor with stored energy 4⋅0 J is connected with an identical capacitor with no electric field in between. Find the total energy stored in the two capacitors.
A capacitor of capacitance 100 μF is connected across a battery of emf 6 V through a resistance of 20 kΩ for 4 s. The battery is then replaced by a thick wire. What will be the charge on the capacitor 4 s after the battery is disconnected?
A capacitor of capacitance C is given a charge Q. At t = 0, it is connected to an ideal battery of emf ε through a resistance R. Find the charge on the capacitor at time t.
A large conducting plane has a surface charge density `1.0 xx 10^-4 "Cm"^-2` . Find the electrostatic energy stored in a cubical volume of edge 1⋅0 cm in front of the plane.
Figure shows two identical parallel plate capacitors connected to a battery through a switch S. Initially, the switch is closed so that the capacitors are completely charged. The switch is now opened and the free space between the plates of the capacitors is filled with a dielectric of dielectric constant 3. Find the ratio of the initial total energy stored in the capacitors to the final total energy stored.

Obtain the expression for the energy stored in a capacitor connected across a dc battery. Hence define energy density of the capacitor
Choose the correct option:
Energy stored in a capacitor and dissipated during charging a capacitor bear a ratio.
A 2µF capacitor is charge to 100 volt and then its plate are connected by a conducting wire. The heat produced is:-
Do free electrons travel to region of higher potential or lower potential?
Prove that, if an insulated, uncharged conductor is placed near a charged conductor and no other conductors are present, the uncharged body must be intermediate in potential between that of the charged body and that of infinity.
Electrostatic energy of 4 x 10−4 J is stored in a charged 25 pF capacitor. Find the charge on the capacitor.
