Advertisements
Advertisements
प्रश्न
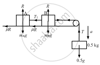
Consider the situation shown in the following figure. Calculate (a) the acceleration of the 1.0 kg blocks, (b) the tension in the string connecting the 1.0 kg blocks and (c) the tension in the string attached to 0.50 kg.

Advertisements
उत्तर

From the above diagrams:
T + ma − mg = 0
T + 0.5a − 0.5 g = 0 (1)
μR + ma + T1 − T = 0
μR + 1a + T1 − T = 0 (2)
μR + 1a − T1 = 0
μR + a = T1 (3)
From Equations (2) and (3) we have
μR + a = T − T1
⇒ T − T1 = T1
⇒ T = 2T1
So, Equation (2) becomes
μR + a + T1 − 2T1 = 0
⇒ μR + a − T1 = 0
⇒ T1 = μR + a
= 0.2g + a (4)
and Equation (1) becomes
2T1 + 0.5a − 0.5g = 0
`=> T_1=(0.5g-0.5a)/2`
= 0.25g - 0.25a (5)
From Equations (4) and (5)
0.2g + a = 0.25g − 0.25a
`=>a=0.05/1.25xx10`
= 0.4 x 10 m/s2 [g = 10 m/s2]
Therefore,
(a) the acceleration of each 1 kg block is 0.4 m/s2,
(b) the tension in the string connecting the 1 kg blocks is
T1 = 0.2g + a + 0.4 = 2.4 N
and
(c) the tension in the string attached to the 0.5 kg block is
T = 0.5g − 0.5a
= 0.5 × 10 − 0.5 × 0.4
= 4.8 N.
