मराठी
कर्नाटक बोर्ड पी.यू.सी.पीयूसी विज्ञान इयत्ता ११

As the Negative Terminals of the Batteries Are Connected to A, the Net Potential Between Points a and B is − 10.3 V. - Physics

Advertisements
Advertisements

प्रश्न

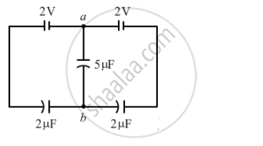
Find the potential difference `V_a - V_b` between the points a and b shown in each part of the figure.

बेरीज
Advertisements

उत्तर

(a) `q = q_1 + q_2   ..........(1)`

On applying Kirchhoff's voltage law in the loop CabDC, we get

`q_2/2 + q_2/4 - q_1/4 = 0`

`⇒ 2 q_2 + q_2 - q_1 = 0`

`⇒ 3 q_2 = q_1      .............(2)`

On applying Kirchhoff's voltage law in the loop DCBAD, we get

`q/2 + q_1/4 - 12 = 0`

`⇒ (q_1+q_2)/2 + q_1/4 - 12 = 0`

`⇒ 3q_1 + 2q_2 = 48        ............(3)`

From eqs. (2) and (3), we get

`9 q_2 + 2 q_2 = 48`

`⇒ 11q_2 = 48`

`⇒ q_2 = 48/11`

Now,

`V_a - V_b = q_2/(4  "uF") = 48/44 = 12/11 V`


(b) Let the charge in the loop be q.

Now, on applying Kirchhoff's voltage law in the loop, we get

`q/2 + q/4 - 24 +12 = 0`

`⇒ (3 q)/4 = 12`

`⇒ q = 16  "uC"`

Now ,

`V_a - V_b = (-q)/(2 "uF")`

`⇒V_a - V_b = (-16  "uC")/(2  "uF") = -8V`


(c) `V_a - V_b = 2-(2-q)/(2  "uF")`

In the loop,

`2+2-q/2-q/2 = 0`

`⇒ q = 4C`

`therefore`  `V_a - V_b = 2-4/2 = 2-2 = 0 V`

Net Charge flowing through all branches, `q = 24+24+24 = 72  "uC"`

Net capacitance of all branches, C = 4 + 2 + 1 = 7 μF

The Total potential difference (V) between points a and b is given by

`V= q/c`

`⇒ V = 72/7 = 10.3  "V"`

As the negative terminals of the batteries are connected to a, the net potential between points a and b is -10.3 V .

shaalaa.com
  या प्रश्नात किंवा उत्तरात काही त्रुटी आहे का?
पाठ 9: Capacitors - Exercises [पृष्ठ १६७]

APPEARS IN

एचसी वर्मा Concepts of Physics Vol. 2 [English] Class 11 and 12
पाठ 9 Capacitors
Exercises | Q 25 | पृष्ठ १६७
Share
Notifications

Englishहिंदीमराठी


      Forgot password?
Use app×