Topics
Electronic Components/ Study of Components and Circuits
- Introduction to Electronic Components
- Classification Of Components
- Resistors
- Types of Resistors
- Types of Capacitors
- Inductors
- Basics of Transformers
- Basics of Semiconductor Devices
- p-n Junction
- Half Wave Rectifier
- Types of diodes
- Transistors
- Transistor Amplifier
- Basic of Transistor as a Switch
- Switch Mode power Supply (SMPS)
- Classification of IC’S
Logic Gates and Sequential Circuit
- Introduction of Logic gates and sequential circuits
- Basics of Logic Gates
- Types of gates
- Odd/Even Parity
- DE-MORGAN'S Theorem
- NAND Gate is an Universal Building Block
- HALF ADDER AND FULL ADDER
- Multiplexers
- Demultiplexer
- Encoder
- Decoder
- FLIP-FLOPS
- Counters
- Shift Registers
Functional Hardware of Pc
Peripheral Devices
- Introduction to Shift Registers
- Shift Left Register
- Shift Right Register
Shift Registers
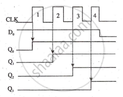
A Register is a group of flip-flops used to store or rotate the data. The shift register rotates the bits for certain arithmetic operations. It is either shift left or shift right register it uses D flip-flops.
Shift Left & Shift Right Register
Shift Left: Fig shows a shift left register prepared by cascading four D flip-flops. As shown, Din sets up the right flip-flop, Q0 sets up Q1, Q1 sets up the third and so on. The flip-flops are +ve edge triggered type.

Timing Diagram:

Shift Right: · This is an opposite process of shifting the data refer fig.(2.35) this time din is given to D3, Q3 to D2, Q2 to D1 and so on. The circuit action is very similar to the shift-left register only the data movement is from left to right as shown in its timing diagram

Timing Diagram:

