Advertisements
Advertisements
प्रश्न
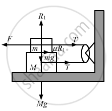
The friction coefficient between the two blocks shown in the following figure is μ but the floor is smooth. (a) What maximum horizontal force F can be applied without disturbing the equilibrium of the system? (b) Suppose the horizontal force applied is double of that found in part (a). Find the accelerations of the two masses.

Advertisements
उत्तर

From the free body diagrams of the two blocks, we have
R1 = mg ...(i)
F = μR1+T ...(ii)
T − μR1 = 0 ..(iii)
From equations (i) and (ii), we have
F − μmg = T ...(ii)
From equations (i) and (iii), we have
T = μmg
Putting T = μmg in equation (ii), we have
F = μmg + μmg = 2μmg
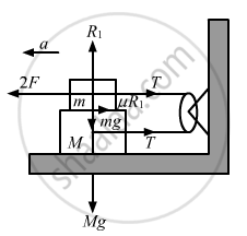
(b) From the free body diagram of upper block, we have
2F − T − μmg = ma ....(i)
From the free body diagram of lower block, we have
T = Ma + μmg
Putting the value of T in (i), we get
2F − Ma − μmg − μmg = ma
Putting F = 2μmg, we get
2(2μmg) − 2μmg = a(M + m)
⇒ 4μmg − 2μmg = a(M + m)
`=> a=(2mu "mg")/("M"+"m")`in opposite directions.
