Advertisements
Advertisements
प्रश्न
Suppose the entire system of the previous questions is kept inside an elevator which is coming down with an acceleration a < g. Repeat parts (a) and (b).
Advertisements
उत्तर

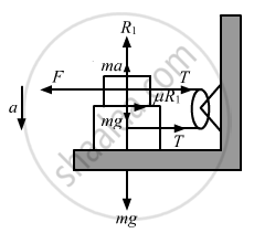
From the free body diagram, we have:
R1 + ma − mg = 0
⇒ R1 = m (g − a)
= mg − ma ...(i)
Now,
F − T − μR1 = 0 and
T − μR1 = 0
⇒ F − [μ (mg − ma)] − μ(mg − ma) = 0
⇒ F − μ mg − μma − μmg + μma = 0
⇒ F = 2 μmg − 2 μma
= 2 μm (g − a)
(b) Let the acceleration of the blocks be a1.
R1 = mg − ma ....(i)
And,
2F −T − μR1 = ma1 ...(ii)
Now,
T = μR1 + Ma1
= μmg − μma + Ma1
Substituting the value of F and T in equation (ii), we get:
2[2μm(g − a)] − (μmg − μma + Ma1) − μmg + μma = ma1
⇒ 4μmg − 4μma − 2μmg + 2μma= ma1 + Ma1
`=> a_1=(2mu m(g-a))/("M"+"m")`
Thus, both the blocks move with same acceleration a1 but in opposite directions.
