Advertisements
Advertisements
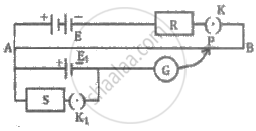
प्रश्न
When the balance point is obtained in the potentiometer, a current is drawn from ______.
विकल्प
Both the cells and auxiliary battery
Cell only
Auxiliary battery only
Neither cell nor auxiliary battery
Advertisements
उत्तर
When the balance point is obtained in the potentiometer, a current is drawn from auxiliary battery only.
Explanation:
When a null point is obtained in the potentiometer, a current depends only on the EMF of auxiliary battery and its resistance and resistance of cells.
संबंधित प्रश्न
Accuracy of potentiometer can be easily increased by ______.
Figure 3.34 shows a potentiometer circuit for comparison of two resistances. The balance point with a standard resistor R = 10.0 Ω is found to be 58.3 cm, while that with the unknown resistance X is 68.5 cm. Determine the value of X. What might you do if you failed to find a balance point with the given cell of emf ε?

Figure shows a 2.0 V potentiometer used for the determination of internal resistance of a 1.5 V cell. The balance point of the cell in open circuit is 76.3 cm. When a resistor of 9.5 Ω is used in the external circuit of the cell, the balance point shifts to 64.8 cm length of the potentiometer wire. Determine the internal resistance of the cell.

State the advantages of potentiometer over voltmeter.
SI unit of potential gradient is _______.
(a) V cm
(b) `V/"cm"`
(c) Vm
(d) `V/m`
State the underlying principle of a potentiometer ?
State the working principle of a potentiometer. With the help of the circuit diagram, explain how a potentiometer is used to compare the emf's of two primary cells. Obtain the required expression used for comparing the emfs.
Two students ‘X’ and ‘Y’ perform an experiment on potentiometer separately using the circuit given below:

Keeping other parameters unchanged, how will the position of the null point be affected if
(i) ‘X’ increases the value of resistance R in the set-up by keeping the key K1 closed and the Key K2 opens?
(ii) ‘Y’ decreases the value of resistance S in the set-up, while the key K2 remains open and they K1 closed?
Justify.
Write the principle of working of a potentiometer. Describe briefly, with the help of a circuit diagram, how a potentiometer is used to determine the internal resistance of a given cell.
The net resistance of a voltmeter should be large to ensure that ______________ .
The potentiometer wire AB shown in the figure is 50 cm long. When AD = 30 cm, no deflection occurs in the galvanometer. Find R.

Figure below shows two resistors R1 and R2 connected to a battery having an emf of 40V and negligible internal resistance. A voltmeter having a resistance of. 300 Ω is used to measure the potential difference across R1 Find the reading of the voltmeter.

Define potential gradient of the potentiometer wire.
How is potential gradient measured? Explain.
Describe with the help of a neat circuit diagram how you will determine the internal resistance of a cell by using a potentiometer. Derive the necessary formula.
Describe how a potentiometer is used to compare the emf's of two cells by the combination method.
The emf of a cell is balanced by a length of 120 cm of a potentiometer wire. When the cell is shunted by a resistance of 10 Ω, the balancing length is reduced by 20 cm. Find the internal resistance of the cell.
The SI unit of the potential gradient is ______
When the null point is obtained in the potentiometer, the current is drawn from the ______
The instrument which can measure terminal potential difference as well as electromotive force (emf) is ______
What is the SI unit of potential gradient?
A voltmeter has a resistance of 100 Ω. What will be its reading when it is connected across a cell of emf 6 V and internal resistance 20 Ω?
A cell of e.m.f 1.5V and negligible internal resistance is connected in series with a potential meter of length 10 m and the total resistance of 20 Ω. What resistance should be introduced in the resistance box such that the potential drop across the potentiometer is one microvolt per cm of the wire?
In a potentiometer experiment, when the galvanometer shows no deflection, then no current flows through ____________.
A potentiometer is an ideal device for measuring potential difference because ______.
Select the WRONG statement:
The length of a potentiometer wire is L. A cell of e.m.f E is balanced at length L/3 from the positive end of the wire. If the length of wire increases by L/2, then the same cell will give balance point at length ____________.
Which of the following is true for a potentiometer?
To determine the internal resistance of a cell by using potentiometer, the null point is at 1 m when cell is shunted by 3 Ω resistance and at a length 1.5 m when cell is shunted by 6 Ω resistance. The internal resistance of the cell is ______.
A cell of e.m.f. 'E' is connected across a resistance 'R'. The potential difference across the terminals of the cell is 90% ofE. The internal resistance of the cell is ______.
A potentiometer wire of length 100 cm has a resistance of 10 `Omega.` It is connected in series with a resistance and an accumulator of e.m.f 2 V and of negligible internal resistance. A source of e.m.f 10 mV is balanced against a 40 cm length of the potentiometer wire. The value of the external resistance is ____________.
A potentiometer wire is 10 m long and has resistance of 2`Omega`/m. It is connected in series with a battery of e.m.f 3 V and a resistance of 10 `Omega`. The potential gradient along the wire in V/m is ______.
In the potentiometer experiment, the balancing length with cell E1 of unknown e.m.f. is ℓ1 cm. By shunting the cell E1 with resistance 'R' which is equal to internal resistance (r) of the cell E1, the balancing length ℓ2 is ______
The current drawn from the battery in the given network is ______
(Internal resistance of the battery is neglected)
Two students X and Y perform potentiometer experiment separately and null point was obtained as shown in diagram. During the experiment, ______.
- X increases the value of R (resistance)
- Y decreases the value of S (resistance)
The position of null point obtained by students X and Y respectively.

In a potentiometer experiment, for measuring internal resistance of a cell, the balance point has been obtained on the fourth wire. The balance point can be shifted to fifth wire by ______.
It is observed in a potentiometer experiment that no current passes through the galvanometer when the terminals of the cell are connected across a certain length of the potentiometer wire. On shunting the cell by a 2 Ω resistance, the balancing length is reduced to half. The internal resistance of the cell is ______.
A potentiometer is an accurate and versatile device to make electrical measurements of E.M.F. because the method involves ______.
In the experiment of potentiometer, at balance point, there is no current in the ______.
In a potentiometer of 10 wires, the balance point is obtained on the 7th wire. To shift the balance point to 9th wire, we should ______.
Three resistance each of 4Ω are connected to from a triangle. The resistance b / w two terminal is
A wire of resistance R is cut into two equal part. There parts are then connected in parallel. The equivalent resistance of the combination will be
What is the current I in the circuit as show in fig.

The instrument among the following which measures the e.m.f of a cell most accurately is ______
In a potentiometer circuit a cell of EMF 1.5 V gives balance point at 36 cm length of wire. If another cell of EMF 2.5 V replaces the first cell, then at what length of the wire, the balance point occurs?
Consider a simple circuit shown in figure
stands for a variable resistance R′. R′ can vary from R0 to infinity. r is internal resistance of the battery (r << R << R0).

- Potential drop across AB is nearly constant as R ′ is varied.
- Current through R′ is nearly a constant as R ′ is varied.
- Current I depends sensitively on R′.
- `I ≥ V/(r + R)` always.
A Daniel cell is balanced on 125 cm lengths of a potentiometer wire. Now the cell is short circuited by a resistance 2 Ω and the balance is obtained at 100 cm. The internal resistance of the Daniel cell is ______.
In a potentiometer arrangement, a cell of emf 1.20 V gives a balance point at 36 cm length of wire. This cell is now replaced by another cell of emf 1.80 V. The difference in balancing length of potentiometer wire in above conditions will be ______ cm.
Two identical thin metal plates has charge q1 and q2 respectively such that q1 > q2. The plates were brought close to each other to form a parallel plate capacitor of capacitance C. The potential difference between them is ______.
A potentiometer wire AB having length L and resistance 12r is joined to a cell D of emf ε and internal resistance r. A cell C having emt `ε/2` and internal resistance 3r is connected. The length AJ at which the galvanometer as shown in the figure shows no deflection is ______.
What will a voltmeter of resistance 200 Ω read when connected across a cell of emf 2 V and internal resistance 2 Ω?
Draw a neat labelled diagram of Internal resistance of a cell using a potentiometer.
State dimension of potential gradient.
Three identical cells each of emf 'e' are connected in parallel to form a battery. What is the emf of the battery?
