Advertisements
Advertisements
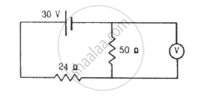
प्रश्न
The voltmeter shown in the figure reads 18 V across the 50 Ω resistor. Find the resistance of the voltmeter.

Advertisements
उत्तर
Let R be the resistance of the voltmeter. For the given circuit, 50 Ω and R are in parallel. The equivalent resistance of these two resistors,
\[R_{eqv} = \frac{50R}{50 + R}\]
This equivalent resistance is now in series with the 24 Ω resistor. The effective resistance of the circuit,
\[R_{eff} = \left( \frac{50R}{50 + R} + 24 \right) \Omega\]
Current through the circuit,
\[i = \frac{30}{R_{eff}}\]
Voltage across the 24 Ω resistor, V1 = \[i \times 24 = \frac{30}{R_{eff}} \times 24 V\]
Voltage across the 50 Ω resistor, V2 = \[30 - V_1 = 30 - \frac{30}{R_{eff}} \times 24 V ............\left(\because V_1 + V_2 = 30\right)\]
It is given that V2 = 18 V
\[\Rightarrow 18 = 30 - \frac{30}{R_{eff}} \times 24\]
\[ \Rightarrow 18 = 30 - \frac{30}{\left( \frac{50R}{50 + R} + 24 \right)} \times 24\]
\[ \Rightarrow \frac{30}{\left( \frac{74R + 1200}{50 + R} \right)} \times 24 = 30 - 18\]
\[ \Rightarrow \frac{30}{\left( \frac{74R + 1200}{50 + R} \right)} = \frac{12}{24} = \frac{1}{2}\]
\[ \Rightarrow 60\left( 50 + R \right) = \left( 74R + 1200 \right)\]
\[ \Rightarrow R \approx 130 \Omega\]
