Advertisements
Advertisements
प्रश्न
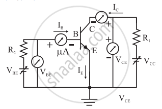
Explain the output characteristics of common emitter configuration of n-p-n transistor.
संक्षेप में उत्तर
Advertisements
उत्तर

The variation of the collector current IC with variation in the collector-emitter voltage is called the output characteristic of a transistor.
The base current IB is constant at this time. From the curve we can see that the, collector current IC is independent of VCE as long as the collector-emitter junction is reverse biased.
Also, the collector current IC is large for large values of the base current IB when VCE is constant.

The output dynamic resistance ro of a transistor is defined as the ratio of the change in the collector-emitter voltage VCE and the change in the collector current IC for constant base current IB.
`r_o=(DeltaV_(CE))/(DeltaI_C)`
shaalaa.com
Bipolar Junction Transistor (BJT)
क्या इस प्रश्न या उत्तर में कोई त्रुटि है?
