Advertisements
Advertisements
प्रश्न
Draw the circuit diagram of a half-wave rectifier. Explain its working. What is the frequency of ripple in its output?
Advertisements
उत्तर
A device or a circuit which rectifies only one-half of each cycle of an alternating voltage is called a half-wave rectifier.
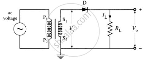
Electric circuit: The alternating voltage to be rectified is applied across the primary coil (P1P2) of a transformer. The secondary coil (S1S2) of the transformer is connected in series with the junction diode and a load resistance RL, as shown in the following figure. The alternating voltage across the secondary coil is the ac input voltage Vi. The de voltage across the load resistance is called the output voltage V0.

Half-wave rectifier circuit
P1P2, S1S2 - Primary and secondary transformer,
D - Junction diode,
RL - Load resistance,
IL - Load current,
Vi - AC input voltage,
V0 - DC output voltage
Working: Due to the alternating voltage Vi, the p-region of the diode becomes alternatively positive and negative with respect to the n-region.
During the half-cycle when the p-region is positive, the diode is forward biased and conducts. A current IL passes through the load resistance RL in the direction shown.

Voltage waveforms for a half-wave rectifier (a) input (b) output
During the next half-cycle, when the p-region is negative, the diode is reverse biased and the forward current drops to zero.
Thus, the diode conducts only during one-half of the input cycle and thus acts as a half-wave rectifier. The intermittent output voltage V0 has a fixed polarity but changes periodically with time between zero and a maximum value. IL is unidirectional. The above figure shows the input and output voltage waveforms. The pulsating de output voltage of a half-wave rectifier has the same frequency as the input.
APPEARS IN
संबंधित प्रश्न
Draw the circuit diagram of a half-wave rectifier. Hence explain its working.
Draw a neat labelled circuit diagram of a full-wave rectifier using a semiconductor diode.
State the advantages of a full-wave rectifier.
The electrical resistance of depletion layer is large because ____________.
A junction diode of internal resistance 20 Ω is used for half-wave rectification. If the applied voltage has a peak value of 50 V and load resistance is 800 Ω, then d.c. value of current is ____________.
The maximum efficiency of full-wave rectifier is ____________.
In figure, the input is across the terminals A and C and the output is across B and D. Then, the output is ____________.

What is the value of output voltage V0 in the given circuit?

What is a rectifier?
If a centre tap transformer is used with 2 diodes for full-wave rectification, then output voltage of rectifier w.r.t. each diode is ______.
What is the ripple factor?
If the frequency of the input voltage 50 Hz is applied to a full wave rectifier, what will be the output frequency?
What is a ripple?
A photodiode is used in ______.
Write a short note on Full wave rectifier.
