Advertisements
Advertisements
प्रश्न
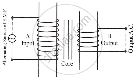
- Complete the following diagram of a transformer and name the parts labelled A and B.
- Name the part you have drawn to complete the diagram in part (a).
- What is the material of this part named above?
- Is this transformer a step up or step down? Give reason.

संक्षेप में उत्तर
आकृति
Advertisements
उत्तर
- A is the primary coil. B is the secondary coil.
- We have drawn laminated core in the diagram.
- The material of this part is soft iron.
- This transformer a step-down transformer because the number of turns in primary coil is much greater than that in the secondary coil.
shaalaa.com
Types of Transformer
क्या इस प्रश्न या उत्तर में कोई त्रुटि है?
अध्याय 10: Electro-Magnetism - EXERCISE-10 (C) [पृष्ठ २५९]
